
100003943
FS54PK-0.5/M16
Фланец питания M12Передний монтаж
- М12-Штекер, К-кодированный, 4-полюсный+PE
Купить TURCK 100003943 FS54PK-0.5/M16 или получить консультацию Вы можете по указанным ниже Контактам
Технические характеристики
| EAN | 4047101490213 |
| Страна происхождения | DE |
| Масса | 71 г |
| Применение | Питание: |
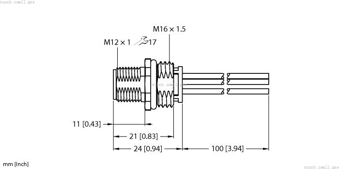
| Разъем A | Штекер, M12 × 1, K-кодированный |
| Количество штыревых контактов | 4+PE |
| Напряжение | 630 В |
| Класс защиты | IP67, IP68 |
| Ток | 12 А |
| Длина кабеля | 0,5 м |
| Корпус фланца | Латунь, CuZn, никелированная |
| Тип крепления | монтаж на передней панели |
| Резьба для ввинчивания | М16 × 1,5 |
| Количество проводников | 5 |
| Одобрения | cULus призн. |
