
3022892
IAT23SM8
СтекловолокноОдиночный проводник
Альтернативный номер заказа: 22892
- Режим работы: Датчик барьерного режима
- Оболочка из нержавеющей стали, гибкая
- Рабочая температура оболочки оптоволокна: -140…+249 °C
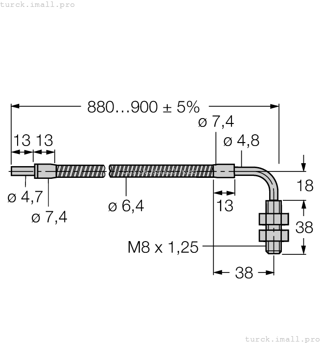
- Концевая муфта для зонда, угловая (90°) с резьбой M8 × 1,25
- Оптическое волокно, диаметр пучка: 3,2 мм
- Оптическое волокно, общая длина: ± 914 мм
Купить TURCK 3022892 IAT23SM8 или получить консультацию Вы можете по указанным ниже Контактам
Технические характеристики
| EAN | 662488228927 |
| eCl@ss-код (V5.1.4): | 27061090 -/- Готовое оптическое волокно (не классифицировано) |
| Страна происхождения | US |
| Масса | 125г |
| Размер конструкции | 914 мм |
| Тип аксессуара | Стекловолокно |
| Для использования с | Фотоэлектрические датчики |
| Материал корпуса | нержавеющая сталь |
| Температура окружающей среды | -140…+249 °С |
