
100016320
RES-187H10E-3C13B-H1181
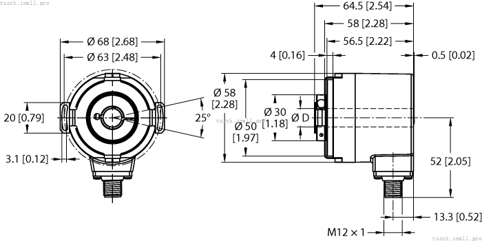
Абсолютный энкодер - однооборотныйIndustrial Line
- Фланец со статорной муфтой, Ø 63 мм
- Полый вал, Ø 10 мм
- Принцип оптического измерения
- Материал вала: нержавеющая сталь
- Класс защиты IP67 на корпусе и стороне вала
- ‐40…+80 °С
- Макс. 4000 об/мин (непрерывная работа 2000 об/мин)
- 10…30 В постоянного тока
- SSI, серый
- M12 × 1 штекер, 8-контактный
- 360° с разрешением 13 бит (8192 позиции)
Купить TURCK 100016320 RES-187H10E-3C13B-H1181 или получить консультацию Вы можете по указанным ниже Контактам
Технические характеристики
| EAN | 4047101545555 |
| eCl@ss-код (V5.1.4): | 27270501 -/- Энкодер, абсолютный |
| Страна происхождения | DE |
| Масса | 450г |
| Технология | Оптический |
| Линейка энкодера | Industrial-Line |
| Рабочее напряжение | 10…30 В постоянного тока |
| Электрическое подключение | Разъем, М12 × 1 |
| Диапазон измерения | 0…360° |
| Материал корпуса | Цинк литой под давлением |
| Температура окружающей среды | -40…+80 °С |
| Класс защиты | IP67 |
| Протокол связи | SSi |
| Тип выхода | Абсолютный однооборотный |
| Тип вала | Вал с глухим отверстием |
| Диаметр вала D (мм) | 10 |
| Диаметр фланца | Ø 63 мм |
| Тип фланца | Фланец со статорной муфтой |
| Класс защиты вала | IP67 |
