
1544613
RME-2
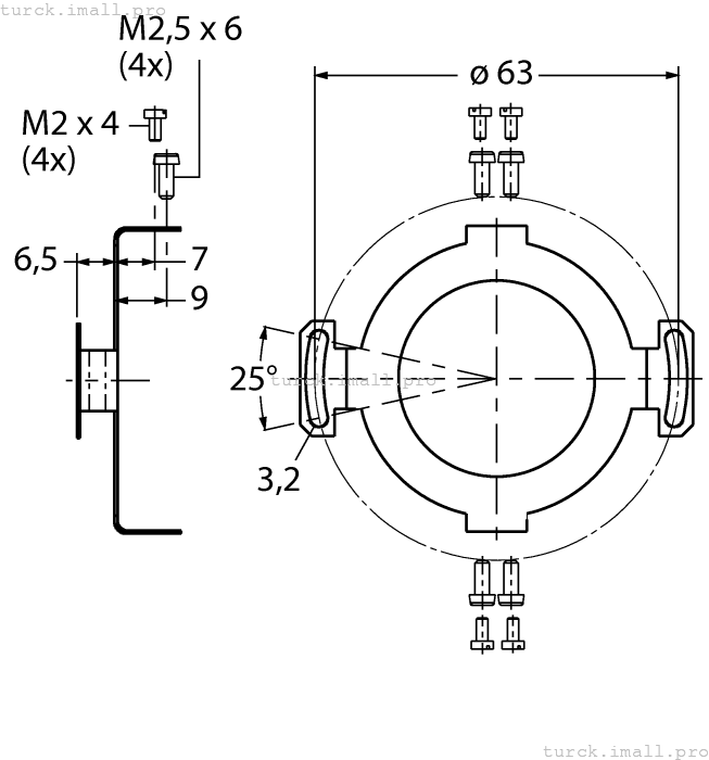
АксессуарыМуфта статора
для энкодеров с полым валом
- Статорная муфта, опорный диаметр 63 мм
- Крепится сбоку на фланце энкодера
- Для приложений с высокими требованиями к точности
- Материал: нержавеющая сталь
Купить TURCK 1544613 RME-2 или получить консультацию Вы можете по указанным ниже Контактам
Технические характеристики
| EAN | 4047101257274 |
| eCl@ss-код (V5.1.4): | 27279090 -/- Сенсорная технология (не классифицировано) |
| Страна происхождения | DE |
| Масса | 10 г |
| Для использования с | None |
| Материал корпуса | нержавеющая сталь |
